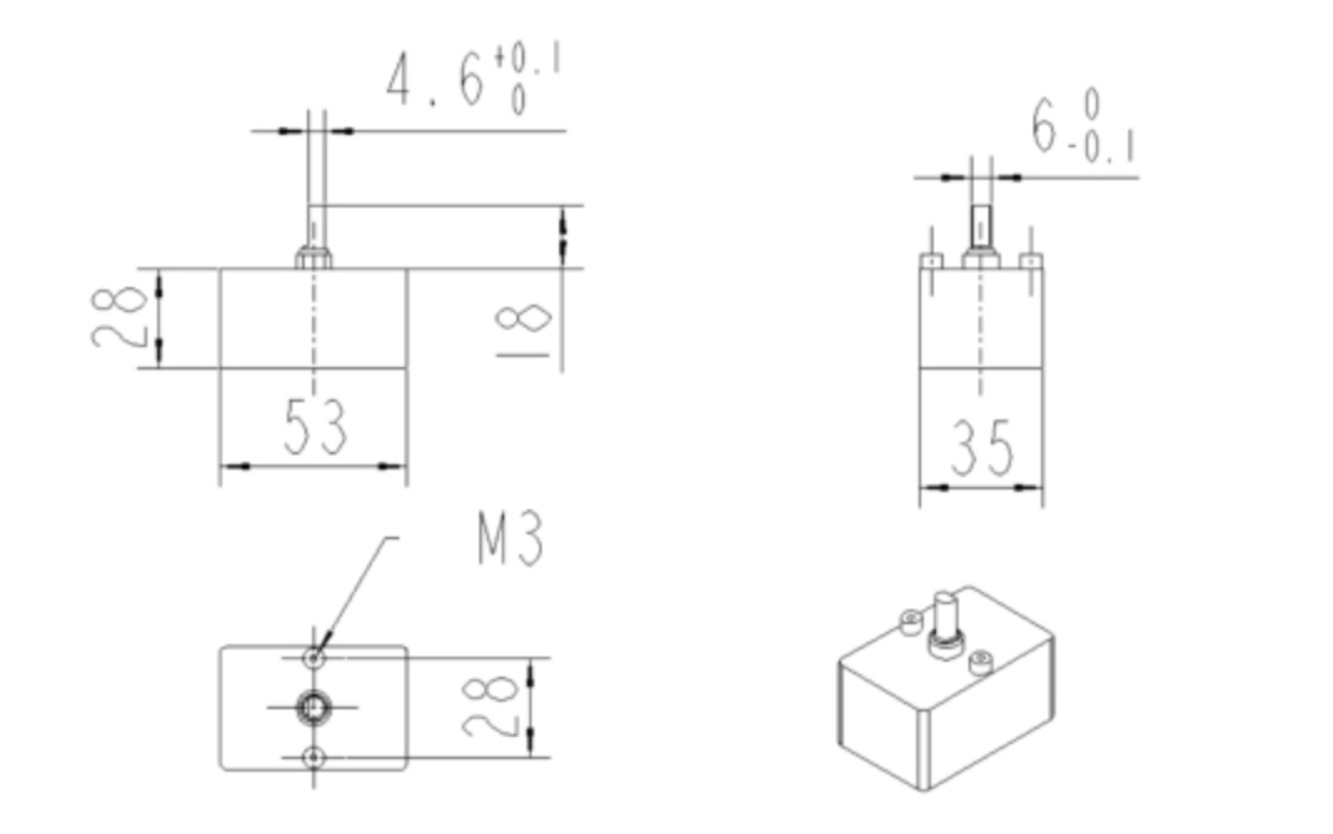
An eight-sided knob, often used in control systems, offers precise adjustment of parameters like tem...
*Power Supply: AC 220V
*Control Mode: PID Control Heating
*Water Level Detection: Positive (both detector wires connected when full). Unplugging the water level detector disables the alarm.
*Heating Power: Long-term control of 200-1800W heating elements, instantaneous support of 2400W for PTC heating elements.
*Water shortage and power-off alarm.
*High-temperature alarm (alarm and power-off over 80°C).

-
-
White Gear KnobsThe white gear-shaped knob is a functional and ergonomic control component. White in color, it featu...
-
Red Lace KnobsThe red lacework knob is a unique decorative element that combines beauty with practicality. Its red...
-
Black Flat KnobsThe black flat knob is a sleek and functional control component. Its flat design allows for easy ins...
-
White Flat KnobsThis white flat knob provides a simple but effective control solution. Its flat design ensures a low...
-
Sequin KnobsA sequined knob is a decorative control element with a sparkling surface due to embedded sequins. It...
-
Black Handle KnobsA black handle knob is a functional control component designed for ease of use. Its black color give...
-
Luxury Lace KnobsThe Deluxe lacework Knob is a unique decorative element that combines elegance and practicality. Its...
-
Other KnobsOther knobs come in various designs and materials to suit different applications. They can range fro...
-
Octagonal Sequin KnobThe octagonal sequin knob is a uniquely designed control component, combining both functionality and...


English
Türk






