An eight-sided knob, often used in control systems, offers precise adjustment of parameters like tem...
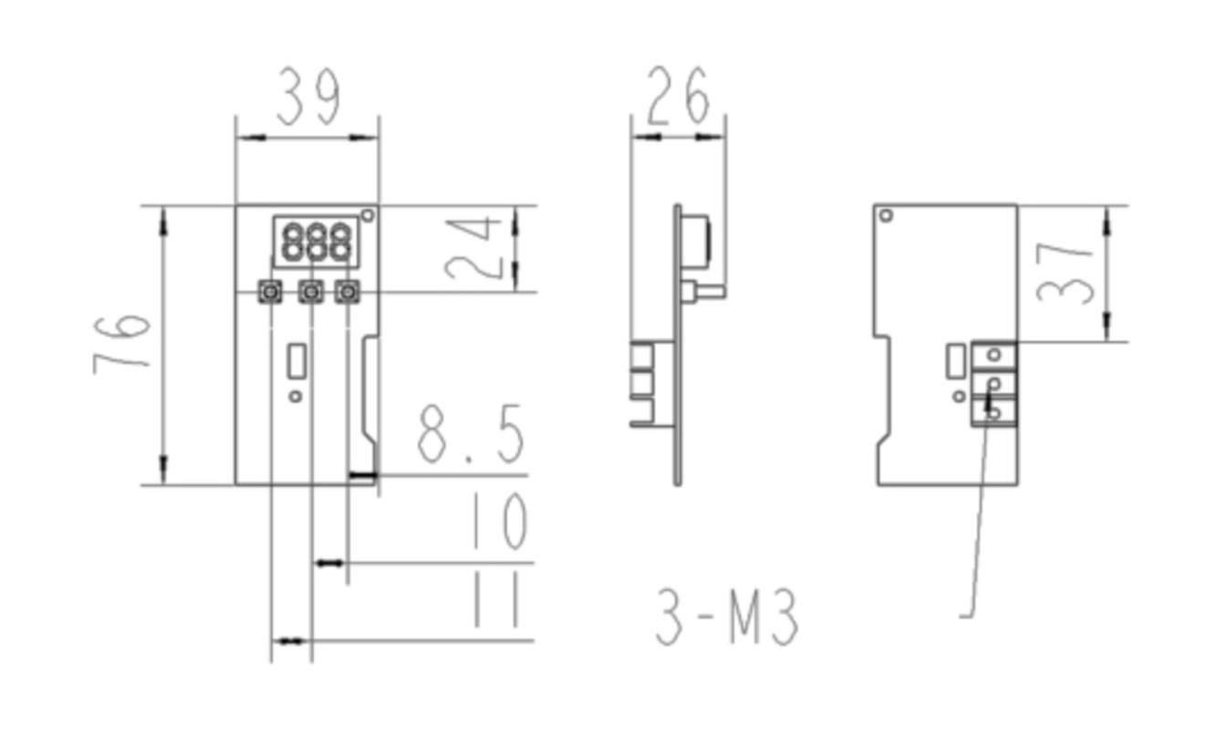
*Power Supply: AC 220V
*Powered by a power chip for more stable voltage and overload and short-circuit protection.
*Control: Three-button control. Press and hold the left button for more than one second to power on/off. The left button adjusts the temperature. The middle and right buttons adjust the temperature. PID controlled heating.
*Heating Power: Suitable for 400W-1600W fusers.
*Alarm: Alarm if no temperature rise occurs within 20 seconds of heating, and alarm if the temperature exceeds 420°C.
*Automatic shutdown upon timeout (optional).
*High-precision thermocouples provide more accurate temperature detection than NTC thermistors.

-
-
White Gear KnobsThe white gear-shaped knob is a functional and ergonomic control component. White in color, it featu...
-
Red Lace KnobsThe red lacework knob is a unique decorative element that combines beauty with practicality. Its red...
-
Black Flat KnobsThe black flat knob is a sleek and functional control component. Its flat design allows for easy ins...
-
White Flat KnobsThis white flat knob provides a simple but effective control solution. Its flat design ensures a low...
-
Sequin KnobsA sequined knob is a decorative control element with a sparkling surface due to embedded sequins. It...
-
Black Handle KnobsA black handle knob is a functional control component designed for ease of use. Its black color give...
-
Luxury Lace KnobsThe Deluxe lacework Knob is a unique decorative element that combines elegance and practicality. Its...
-
Other KnobsOther knobs come in various designs and materials to suit different applications. They can range fro...
-
Octagonal Sequin KnobThe octagonal sequin knob is a uniquely designed control component, combining both functionality and...


English
Türk






